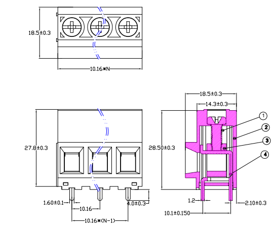
LP135T-10.16
螺钉式PCB接线端子
UL 300V 52A
IEC 630V 57A
- 技术数据
- 产品尺寸
- 认证
- 商业数据
- 下载
基本信息Basic Information
产品型号 LUPU Model | LP135T-10.16 |
产品间距 Pitch【mm】 | 10.16 |
产品层数Number of levels | 1 |
产品位数 Number of connections【P】 | 2~24 |
接线方式Connection method | 螺钉锁线Screw connection |
剥线长度 Stripping Length [mm] | 10 |
螺钉/扭矩 Screw/Torque(Max)[N.m] | M4/1.2 |
工作温度 Operating temperature [℃] | -40~+105 |
焊锡温度 Soldering temperature | 250℃/5S |
引脚尺寸 Pin dimensions[mm] | 1.2×1.6 |
PCB板孔径 PCB Hole Diameter[mm] | Ø2.5 |
电气参数-IEC
过压类别Overvoltage category | III | III | II |
污染等级Pollution degree | 3 | 2 | 2 |
额定电压Rated Voltage【V】 | 630 | 1000 | 1000 |
额定电流 Rated Current【A】 | 57 | 57 | 57 |
额定冲击电压 Rated impulse voltage【KV】 | 8 | 8 | 8 |
硬导线截面Conductor cross section solid【mm²】 | 2.5—10.0 | ||
软导线截面 Conductor cross section flexible【mm²】 | 2.5—10.0 | ||
电气参数-UL
使用组别Use group | B | C | D |
额定电流 Rated Current【A】 | 52 | 52 | 5 |
额定电压 Rated Voltage【V】 | 300 | 300 | 300 |
额定接线容量 Rated cross section【AWG】 | 20--6 | ||
耐电压 Dielectric Voltage-Withstand【KV】 | 2.2KV | ||
材料数据
材料环保environment | ROHS |
绝缘材料Insulation Material | PA66 |
阻燃等级Flame relardant rating | UL94V-0 |
导电件材质Conductor Material | 铜合金 Copper alloy |
导电件表面镀层 Plating of conductor surface | 镀锡 Sn plated |

CQC CE ROHS
| LP135T-10.16.pdf | 点击下载 |

